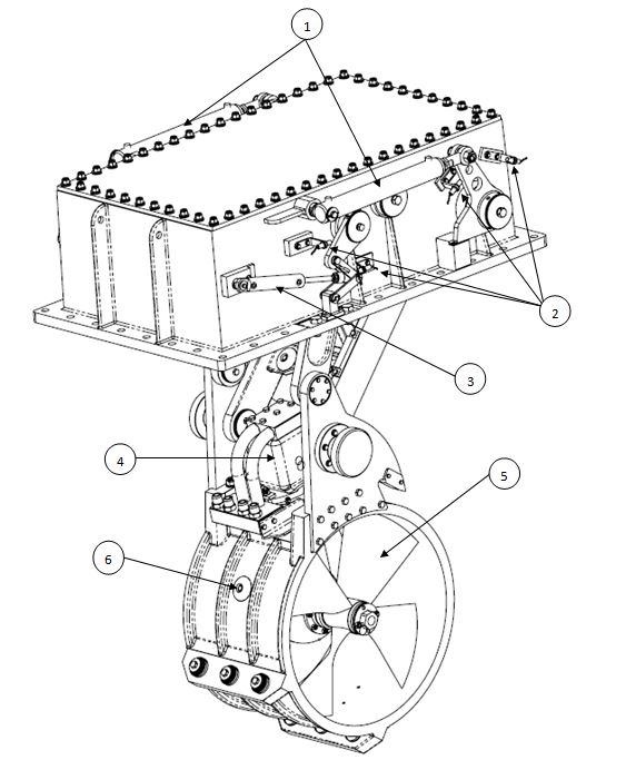
Hydraulic Retractable Thruster R600
An ingenious design makes this thruster the lightest and arguably the safest 100HP retractable thruster available.
With a locking system inspired by aircraft landing gear and thrust transfer pads to transmit load to the hull, performance is first and foremost with this unit ideal for yachts from 100-167’.
| Features | |
| Power ratings (hp) | 75/110 |
| Thrust: | 12 kg per kw |
| Max. hydraulic power (kw): | 83 |
| Hydraulic power requirements (up to): | Upon request |
| Power pack options: | PTO |
| Hydraulic motor: | Piston |
| Opening/ closing mechanism: | Twin Hydraulic |
| Propellers: | Mono, 4 blades |
| Weight (kg): | 320 |
| Code | Description | Model | HP | KW | Flow (LPM) | Pressure (BAR) | Motor |
|---|---|---|---|---|---|---|---|
|
MAX POWER THRUSTER R600/60 | R600/60 | 110 | 83 | 200 LPM | 250 B | 65cc |
Installation Manuals
Data Sheets
Technical Drawings